Domus Digital Archive PRO on sale

materials of the Modern Movement

“The recent history of modern architecture is epitomised by the continual revolution in building materials. (…) In a prodigious effort the glass industry has resolved in a few years problems that for centuries were held to be inherent to the material itself (…) Linoleum has already won its own battle and is put forward as a typical floor for the modern house. (…) anticorodal, alluman, cromoalluminio (…) bear witness to the perfection and practicality reached by a typically Italian industry, that of working in aluminium” Giuseppe Terragni, 1936 This is a collection of materials which were developed during the time when modern architecture was just beginning to assert itself. Almost all of them are no longer in production but can be considered to be the precursors of the cladding, insulation and protective and finishing materials that are used in construction today.
First prize in the national competition “Securit” glazing. Domus 103/36
First prize in the national competition “Securit” glazing. Domus 103/36
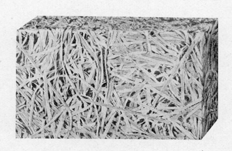
Un campione di “Eraclit”. Foto Domus 54/32
Un campione di “Eraclit”. Foto Domus 54/32
Domus cover 92/35
Domus cover 92/35

Latest on Architecture

Latest on Domus

China Germany India Mexico, Central America and Caribbean Sri Lanka Korea icon-camera close icon-comments icon-down-sm icon-download icon-facebook icon-heart icon-heart icon-next-sm icon-next icon-pinterest icon-play icon-plus icon-prev-sm icon-prev Search icon-twitter icon-views icon-instagram